聯系人:劉小姐
電 話:18581853739
座 機:028-66579066
網 址:www.0511bc.cn
地 址:四川省成都市高新區創業路1號劍恒發展中心5樓510室
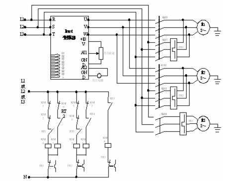
恒壓變頻供水系統中加減泵的條件分析
在恒壓變頻供水設備的工作流程中,我們提到當一臺調速水泵己運行在上限頻率,此時管網的實際壓力仍低于設定壓力,此時需要增加恒速水泵來滿足供水要求,達到恒壓的目的。當調速水泵和恒速水泵都在運行且調速水泵己運行在下限頻率,此時管網的實際壓力仍高于設定壓力,此時需要減少恒速水泉來減少供水流量,達到恒壓的目的。
那么何時進行切換?刁能使系統提供穩定可靠的供水壓力,同時使機組不過于頻繁的切換。

盡管通用變頻器的頻率都可以在0-400Hz范圍內進行調節,但當它用在供水系統中,其頻率調節的范圍是有限的,不可能無限地增大和減小。當正在變頻狀態下運行的水泵電機要切換到工頻狀態下運行時,只能在50Hz時進行。由于電網的限制以及變頻器和電機工作頻率的限制,50Hz成為頻率調節的上限頻率。
當變頻器的輸出頻率己經到達50Hz時,即使實際供水壓力仍然低于設定壓力,也不能夠再增加變頻器的輸出頻率了。要增加實際供水壓力,正如前面所講的那樣,只能夠通過水泵機組切換,增加運行機組數量來實現。另外,變頻器的輸出頻率不能夠為負值,最低只能是0Hz。
其實,在實際應用中,變頻器的輸出頻率是不可能降低到0Hz。因為當水泵機組運行,電機帶動水泵向管網供水時,由于管網中的水壓會反推水泵,給帶動水泵運行的電機一個反向的力矩,同時這個水壓也在一定程度上阻止源水池中的水進入管網,因此,當電機運行頻率下降到一個值時,水泵就己經抽不出水了,實際的供水壓力也不會隨著電機頻率的下降而下降。這個頻率在實際應用中就是電機運行的下限頻率。這個頻率遠大于0Hz,具體數值與水泵特性及系統所使用的場所有關,一般在20Hz左右。由于在變頻運行狀態下,水泵機組中電機的運行頻率由變頻器的輸出頻率決定,這個下限頻率也就成為變頻器頻率調節的下限頻率。
在恒壓變頻供水設備實際應用中,應當在確實需要機組進行切換的時候才進行機組的切換。
所謂延時判別,是指系統僅滿足頻率和壓力的判別條件是不夠的,如果真的要進行機組切換,切換所要求的頻率和壓力的判別條件必須成立并且能夠維持一段時間(比如1-2分鐘),如果在這一段延時的時間內切換條件仍然成立,則進行實際的機組切換操作;如果切換條件不能夠維持延時時間的要求,說明判別條件的滿足只是暫時的,如果進行機組切換將可能引起一系列多余的切換操作。


微信在線咨詢

